全國銷售熱線:
公司簡介
鼓型齒式聯軸器
萬向聯軸器
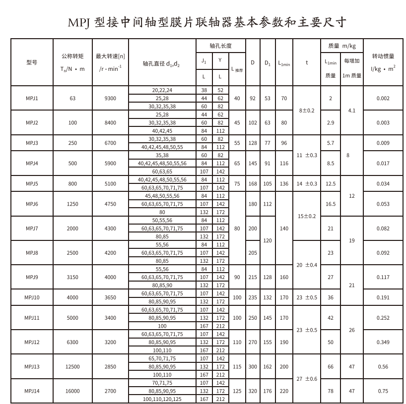
膜片聯軸器
彈性聯軸器
卷筒聯軸器
梅花聯軸器
滾子鏈聯軸器
星形彈性聯軸器
滑塊聯軸器
蛇形彈簧聯軸器
凸緣聯軸器
夾殼聯軸器
MAL型摩擦式安全聯軸器
輪胎式聯軸器
企業動態
行業資訊
聯系我們
在線留言
中冶重工科技(鎮江)有限公司
公司地址:鎮江市丹徒區高資街道中冶迎賓大道1號
聯系電話:15896353995
公司郵箱:sales@cnzyzg.cn
DMB型鍵連接單型彈性膜片聯軸器
DMA型單型彈性膜片聯軸器
SM型鍵連接雙型彈性膜片聯軸器
MP型膜片聯軸器
聯系電話:0511-85723800
聯系手機:15896353995
微信咨詢
15896353995
上班時間
周一到周六
公司電話
0511-85723900